• Lieferung in 1 - 2 Tagen
  • 100 Tage kostenfreie Rückgabe
  • Versand aus Deutschland
  • Wir liefern Werkzeug seit 2015
  • +1 Mio. Bestellungen
Benny Lucas

Tim und +781.246 folgen uns auf

Descripción

Alcance de la entrega:

- 400x anclajes de tornillo HECO MULTI MONTI plus MS 7,5 x 50 mm

Descripción del Producto:

El anclaje de tornillo MULTI MONTI plus de HECO es un desarrollo mejorado del tornillo para hormigón MULTI MONTI. La particularidad del tornillo es que el tornillo se puede introducir sin tacos en un agujero pretaladrado y es inmediatamente resistente. Gracias a los dientes reforzados en la punta del tornillo se enrosca una rosca interior en el material de construcción. El resultado es una forma adaptada a través de la cual se realiza el anclaje. El alto nivel de seguridad en la aplicación que proporciona este proceso protege a los usuarios y a los destornilladores. El MULTI MONTI se puede mecanizar fácilmente cerca del borde sin llave dinamométrica. Además, el tornillo se puede quitar y posiblemente incluso reutilizar. Heco es un fabricante líder de tornillos; la empresa se caracteriza por su alta calidad y una larga tradición.

Datos técnicos:

Fabricante: HECO
Número de fabricante: 49856
Nombre del fabricante: MULTI MONTI plus MS
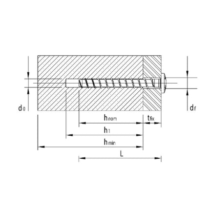
Grosor de fijación, tfix1: 1 5 mm
Tamaño de la unidad: T-30
Diámetro de broca, d0: 6,0 mm
Profundidad del taladro, h1: 4 0 mm
Orificio pasante en el accesorio, df: 9mm
Profundidad de atornillado, hnom1: 35 mm
Longitud del hilo, longitud: 4 7 mm
Diámetro de la cabeza, dk: 17,0 mm
Potencia máxima recomendada de la llave de impacto, Tmax1: 120 Nm
Espesor mínimo del componente, hmin: 100mm
Distancia mínima al borde, cmin: 30mm
Diámetro, d: 7,5 mm
Longitud, largo: 5 0 mm
Diseño de cabeza: Anclaje de carril de montaje con cabeza redonda plana
Conducir: Unidad T
Superficie: azul galvanizado, A2K
Material: Acero carbono
Evaluación técnica europea: ETA-15/0785
Clase de resistencia al fuego: F120/R120
Aprobación de rociadores:
Aprobación de la autoridad general de construcción: Z-21.1-2103


Si se utiliza con fines comerciales, ¡tenga en cuenta las normas de construcción!

Forma del producto

HECO MULTI MONTI plus MS anclaje de tornillo 7,5 x 50 mm 400 piezas (4x 49856) tornillo para hormigón cabeza redonda plana T-Drive galvanizado azul A2K

SKU: 26136 EAN: 4064677024161
    €130,76
    IVA incl., envío aparte
    Direkt ist günstiger für Dich

    Preisvergleichs-Portale und Suchmaschinen verlangen bei jedem Kauf hohe Gebühren – oft über 20 % des Verkaufspreises. Diese Kosten zahlen am Ende immer die Kunden. Wir gehen einen anderen Weg: Statt Werbebudgets an große Plattformen zu zahlen, investieren wir lieber in faire Preise, BROpoints, Geschenke und exklusive Bestpreis-Deals, die Du nur direkt bei uns findest. Ohne Zwischenhändler. Ohne Aufschläge. Direkt für dich.

      100 Tage kostenfreie Retoure 100 Tage kostenfreie Retoure
      • American Express
      • Apple Pay
      • Google Pay
      • PayPal
      • Klarna
      • Mastercard
      • +12 weitere
      • Vendedor
      • Estado  Producto nuevo
      Smarte Produktberatung
      Rechnung, Versand & GPSR

      Versand & Rechnung durch: Dinotech e.K.

      Persona responsable de la UE (GPSR) Operador económico establecido en la UE que garantiza que el producto cumple la normativa exigida.
      • HECO-Schrauben GmbH & Co. KG
      • Dr.-Kurt-Steim-Straße 28
      • 78713 Schramberg
      • Alemania
      • +4974229890
      • info@heco-schrauben.de

      Descripción

      Alcance de la entrega:

      - 400x anclajes de tornillo HECO MULTI MONTI plus MS 7,5 x 50 mm

      Descripción del Producto:

      El anclaje de tornillo MULTI MONTI plus de HECO es un desarrollo mejorado del tornillo para hormigón MULTI MONTI. La particularidad del tornillo es que el tornillo se puede introducir sin tacos en un agujero pretaladrado y es inmediatamente resistente. Gracias a los dientes reforzados en la punta del tornillo se enrosca una rosca interior en el material de construcción. El resultado es una forma adaptada a través de la cual se realiza el anclaje. El alto nivel de seguridad en la aplicación que proporciona este proceso protege a los usuarios y a los destornilladores. El MULTI MONTI se puede mecanizar fácilmente cerca del borde sin llave dinamométrica. Además, el tornillo se puede quitar y posiblemente incluso reutilizar. Heco es un fabricante líder de tornillos; la empresa se caracteriza por su alta calidad y una larga tradición.

      Datos técnicos:

      Fabricante: HECO
      Número de fabricante: 49856
      Nombre del fabricante: MULTI MONTI plus MS
      Grosor de fijación, tfix1: 1 5 mm
      Tamaño de la unidad: T-30
      Diámetro de broca, d0: 6,0 mm
      Profundidad del taladro, h1: 4 0 mm
      Orificio pasante en el accesorio, df: 9mm
      Profundidad de atornillado, hnom1: 35 mm
      Longitud del hilo, longitud: 4 7 mm
      Diámetro de la cabeza, dk: 17,0 mm
      Potencia máxima recomendada de la llave de impacto, Tmax1: 120 Nm
      Espesor mínimo del componente, hmin: 100mm
      Distancia mínima al borde, cmin: 30mm
      Diámetro, d: 7,5 mm
      Longitud, largo: 5 0 mm
      Diseño de cabeza: Anclaje de carril de montaje con cabeza redonda plana
      Conducir: Unidad T
      Superficie: azul galvanizado, A2K
      Material: Acero carbono
      Evaluación técnica europea: ETA-15/0785
      Clase de resistencia al fuego: F120/R120
      Aprobación de rociadores:
      Aprobación de la autoridad general de construcción: Z-21.1-2103


      Si se utiliza con fines comerciales, ¡tenga en cuenta las normas de construcción!

      Warum Kunden uns vertrauen

      Tausende Handwerker und Heimwerker kaufen regelmäßig bei uns ein. Ihre Erfahrungen und Bewertungen helfen dir, die richtige Entscheidung zu treffen.

      • Über 1 Mio. Bestellungen seit 2015 📦
      • Versand aus Deutschland 🇩🇪
      • 100 Tage kostenfreie Retoure 🔙

      Deine Historie

        Ingresa en

        ¿Ha olvidado su contraseña?

        ¿Aún no tienes una cuenta?
        Crear una cuenta