• Lieferung in 1 - 2 Tagen
  • 100 Tage kostenfreie Rückgabe
  • Versand aus Deutschland
  • Wir liefern Werkzeug seit 2015
  • +1 Mio. Bestellungen
Benny Lucas

Tim und +781.246 folgen uns auf

Descrizione

Dotazione:

- 100x HECO MULTI MONTI plus MS Vite di ancoraggio 7,5 x 45 mm

Descrizione prodotto:

La vite di ancoraggio MULTI MONTI plus di HECO è un ulteriore miglioria della vite per calcestruzzo MULTI MONTI. La particolarità della vite è che può essere affondata in un foro preforato senza tassello e può essere caricata immediatamente. Grazie alla dentellatura rinforzata sulla punta della vite, una filettatura interna viene avvitata nel materiale da costruzione. Il risultato è una chiusura di forma attraverso la quale avviene l'ancoraggio. L'alto livello di sicurezza dell'applicazione fornito da questo processo garantisce la sicurezza sia dell'utente che dell'avvitatore. Il MULTI MONTI può essere facilmente lavorato vicino al bordo senza una chiave dinamometrica. Inoltre, la vite può essere smontata e anche riutilizzata se necessario. Heco è un produttore leader di viti, alta qualità e una lunga tradizione distinguono l'azienda. 

Dati tecnici:

Produttore: HECO
Numero del produttore: 49829
Designazione del produttore: MULTI MONTI plus MS
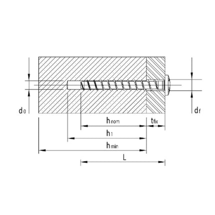
Spessore di montaggio, tfix1: 10 mm
Dimensione guida: T30
Diametro del foro, d0: 6,0 mm
Profondità del foro, h1: 40 mm
Foro passante nell'attacco, df: 9 mm
Profondità di avvitamento, hnom1: 35 mm
Lunghezza del filetto, lg: 42 mm
Diametro della testa, dk: 17,0 mm
Potenza massima consigliata dell'avvitatore ad impulsi, Tmax1: 120 Nm
Spessore minimo del componente, hmin: 100 mm
Distanza minima dal bordo, cmin: 30 mm
Diametro, d: 7,5 mm
Lunghezza, l: 45 mm
Design della testa: testa tonda piatta
Guida: T-Drive
Materiale: acciaio al carbonio
Superficie: blu galvanizzato, A2K
Valutazione tecnica europea: ETA-15/0785
Classe di resistenza al fuoco: F120/R120
Approvazione degli irrigatori: Sì
Approvazione generale dell'autorità edilizia: Z-21.1-210

Forma del prodotto

HECO MULTI MONTI plus MS Vite di ancoraggio 7,5 x 45 mm - 100 pz. ( 49829 ) Vite per calcestruzzo, testa tonda piatta, T-Drive, zincata blu, A2K

SKU: 26029 EAN: 4019787498296
    €20,13
    IVA incl., spese di spedizione escl.
    Direkt ist günstiger für Dich

    Preisvergleichs-Portale und Suchmaschinen verlangen bei jedem Kauf hohe Gebühren – oft über 20 % des Verkaufspreises. Diese Kosten zahlen am Ende immer die Kunden. Wir gehen einen anderen Weg: Statt Werbebudgets an große Plattformen zu zahlen, investieren wir lieber in faire Preise, BROpoints, Geschenke und exklusive Bestpreis-Deals, die Du nur direkt bei uns findest. Ohne Zwischenhändler. Ohne Aufschläge. Direkt für dich.

      100 Tage kostenfreie Retoure 100 Tage kostenfreie Retoure
      • American Express
      • Apple Pay
      • Google Pay
      • PayPal
      • Klarna
      • Mastercard
      • +12 weitere
      • Venditore
      • Condizione  Nuovo prodotto
      Smarte Produktberatung
      Rechnung, Versand & GPSR

      Versand & Rechnung durch: Dinotech e.K.

      Persona responsabile per l'UE (GPSR) Operatore economico stabilito nell'UE che garantisce che il prodotto è conforme alle normative richieste.
      • HECO-Schrauben GmbH & Co. KG
      • Dr.-Kurt-Steim-Straße 28
      • 78713 Schramberg
      • Alemania
      • +4974229890
      • info@heco-schrauben.de

      Descrizione

      Dotazione:

      - 100x HECO MULTI MONTI plus MS Vite di ancoraggio 7,5 x 45 mm

      Descrizione prodotto:

      La vite di ancoraggio MULTI MONTI plus di HECO è un ulteriore miglioria della vite per calcestruzzo MULTI MONTI. La particolarità della vite è che può essere affondata in un foro preforato senza tassello e può essere caricata immediatamente. Grazie alla dentellatura rinforzata sulla punta della vite, una filettatura interna viene avvitata nel materiale da costruzione. Il risultato è una chiusura di forma attraverso la quale avviene l'ancoraggio. L'alto livello di sicurezza dell'applicazione fornito da questo processo garantisce la sicurezza sia dell'utente che dell'avvitatore. Il MULTI MONTI può essere facilmente lavorato vicino al bordo senza una chiave dinamometrica. Inoltre, la vite può essere smontata e anche riutilizzata se necessario. Heco è un produttore leader di viti, alta qualità e una lunga tradizione distinguono l'azienda. 

      Dati tecnici:

      Produttore: HECO
      Numero del produttore: 49829
      Designazione del produttore: MULTI MONTI plus MS
      Spessore di montaggio, tfix1: 10 mm
      Dimensione guida: T30
      Diametro del foro, d0: 6,0 mm
      Profondità del foro, h1: 40 mm
      Foro passante nell'attacco, df: 9 mm
      Profondità di avvitamento, hnom1: 35 mm
      Lunghezza del filetto, lg: 42 mm
      Diametro della testa, dk: 17,0 mm
      Potenza massima consigliata dell'avvitatore ad impulsi, Tmax1: 120 Nm
      Spessore minimo del componente, hmin: 100 mm
      Distanza minima dal bordo, cmin: 30 mm
      Diametro, d: 7,5 mm
      Lunghezza, l: 45 mm
      Design della testa: testa tonda piatta
      Guida: T-Drive
      Materiale: acciaio al carbonio
      Superficie: blu galvanizzato, A2K
      Valutazione tecnica europea: ETA-15/0785
      Classe di resistenza al fuoco: F120/R120
      Approvazione degli irrigatori: Sì
      Approvazione generale dell'autorità edilizia: Z-21.1-210

      Warum Kunden uns vertrauen

      Tausende Handwerker und Heimwerker kaufen regelmäßig bei uns ein. Ihre Erfahrungen und Bewertungen helfen dir, die richtige Entscheidung zu treffen.

      • Über 1 Mio. Bestellungen seit 2015 📦
      • Versand aus Deutschland 🇩🇪
      • 100 Tage kostenfreie Retoure 🔙

      Deine Historie

        Login

        Hai dimenticato la password?

        Non hai ancora un conto?
        Creare un profilo